TopPage
取組課題
議会報告
ボランティア団体
条例
行政サービス
プロフィール
facebook
Donco新聞
役場組織
町議会HP
町HP
補助助成
議会だより
他たより
気になるNews
総務文教News
生活福祉News
産業建設News
左以外News
予算、決算、監査
平成29年度 2017年度
湯沢町議会インターネット中継
R2,H31年度
H30年度
H29年度
H28年度
H27年度
070-2155-3047
toshi@snow.co.jp
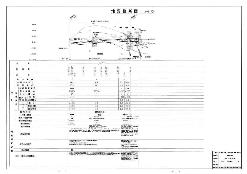
大源太川第1号砂防堰堤補強工事 2017/11/01
仮排水路貫通状況視察
どうしても、仮排水路を展望箇所として残して頂きたい。
仮排水路末端からの景色。綺麗でした。
新潟県町村議会の実態調査
平成29年7月
H30/03/23 9:30~
湯沢町立湯沢小学校
第71回卒業証書授与式
H30/03/02 9:30~
湯沢町立湯沢中学校
第58回卒業証書授与式
新潟県住宅宿泊事業法
施行条例
の骨子案に対する意見に
対する賛成署名
(株)アオスフィールド
雪による冷却空調を活用した
データーセンタ-を
2018年4月に立ち上げる。
一緒に自社で仮想通貨の
マイニング事業を始める。
(株)アオスフィールドによる
白瀧酒造のお酒の
雪室雪中貯蔵
湯沢町議会 12月定例会
行政報告
湯沢町議会 12月定例会
一般質問
湯沢町議会12月定例会
町長所信表明に
対しての代表質問
大源太川第1号砂防堰堤
補強工事仮排水路貫通
状況視察 2017/11/01
湯沢町教育フェスティバル
町村議会議員研修会
20171018
湯沢町議会
9月定例会 会期日程
湯沢町議会
9月定例会 行政報告
町村議会広報研修会
平成29年度ふれあい懇談会
湯沢町、南魚沼市、魚沼市
議会議員協議会
H29年度定期総会
湯沢町議会
9月定例会 (決算審議)
ふとっぱら大会
運転免許証の
自主返納を支援します
クマ出没対応
ふれあいコンサート
地域医療研究会
町村議会議員研修会
水球競技体験
2017/07/17
広報湯沢発行日
魚沼酒祭り in 越後湯沢
湯沢町・津南町
議会議員意見交換会
湯沢町レジャープール
オーロラオープン
町長懇談会
南魚沼私立総合支援学校
町長懇談会
2017/06/23 湯沢町公民館
縄文時代の
大きな家と小さな家
神立小学校を借り受けた
越後屋 神立小学校 スタジオ
南魚沼支援学校
スポーツフェスタ 20170528
住記集計
国と地方の協議の場
湯沢町公共施設等
総合管理計画(案)
緑の募金
湯沢町消防団3分団
消防演習、防災訓練
フットサルコート
オープン記念式典
2017/05/14
平成28年度 ふるさと納税
寄付実績に基づく分析表
JAしおざわ 営農情報紙
あぜみち 稲作技術情報
湯沢中学校 入学式
2017/04/10
湯沢小学校 入学式
2017/04/10